0 前言

  • 基于 Ethereum Coffice (v.1.8.8) 分析
  • 需要区块链基础知识
  • 有 C++/JAVA 基础就能理解文中 go 代码
  • 本文不包含合约部署的前序步骤,即sol源码编译打包过程,请参考网络上其他文章
  • 流程图使用 ProcessOn.com 在线绘制

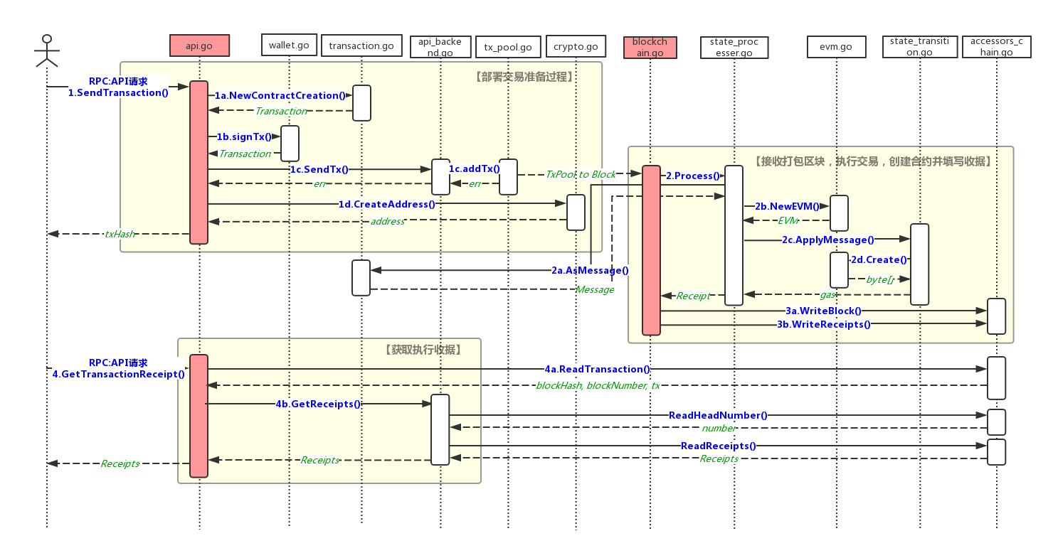
整体流程图如下所示
image

1 API 发起智能合约部署交易

对于 Ethereum 区块链网络来说,智能合约的部署是以交易的形式进行的,该笔交易的特殊之处在于没有接收方(To == nil)。下面是交易发起过程用到的两个主要数据结构:

1.1 相关数据结构

  • 客户端侧传输数据结构展示:

    1
    2
    3
    4
    5
    6
    7
    8
    9
    10
    11
    12
    13
    /*
    file: ethapi\api.go
    */
    type SendTxArgs struct {
    From common.Address `json:"from"`
    To *common.Address `json:"to"`
    Gas *hexutil.Uint64 `json:"gas"`
    GasPrice *hexutil.Big `json:"gasPrice"`
    Value *hexutil.Big `json:"value"`
    Nonce *hexutil.Uint64 `json:"nonce"`
    Data *hexutil.Bytes `json:"data"`
    Input *hexutil.Bytes `json:"input"`
    }
  • Ethereum 交易数据结构展示:

    1
    2
    3
    4
    5
    6
    7
    8
    9
    10
    11
    12
    13
    14
    15
    16
    17
    18
    19
    20
    21
    22
    23
    24
    /*
    file: core\types\transaction.go
    */
    type Transaction struct {
    data txdata
    hash atomic.Value
    size atomic.Value
    from atomic.Value
    }

    type txdata struct {
    AccountNonce uint64 `json:"nonce" gencodec:"required"`
    Price *big.Int `json:"gasPrice" gencodec:"required"`
    GasLimit uint64 `json:"gas" gencodec:"required"`
    Recipient *common.Address `json:"to" rlp:"nil"`
    Amount *big.Int `json:"value" gencodec:"required"`
    Payload []byte `json:"input" gencodec:"required"`

    V *big.Int `json:"v" gencodec:"required"`
    R *big.Int `json:"r" gencodec:"required"`
    S *big.Int `json:"s" gencodec:"required"`

    Hash *common.Hash `json:"hash" rlp:"-"`
    }

1.2 流程图细节

  1. ethapi/api.go 识别到这是一次交易发送请求,调用 SendTransaction() 函数,进一步向底层发送消息。首先,函数会检查发送交易账户的合法性,并且为交易设置一系列的初始值,例如 gas, nonce 等。随后,识别到这是合约创建,会检查是否传入了合约码流数据。
    1a. 根据传入信息创建 Transaction 。注意此处有个判断语句,根据 To 是否有值来确定是合约创建或调用。

    1
    2
    3
    if args.To == nil {
    return types.NewContractCreation(...)
    }

    1b. SignTx() 使用交易发起者信息对交易进行签名

    1
    2
    3
    4
    5
    var chainID *big.Int
    if config := s.b.ChainConfig(); config.IsEIP155(s.b.CurrentBlock().Number()) {
    chainID = config.ChainId
    }
    signed, err := wallet.SignTx(account, tx, chainID)

    1c. submitTransaction() 将交易推进交易池,调用 crypto.CreateAddress() 生成合约地址并返回交易Hash。

    1
    2
    3
    4
    5
    6
    7
    8
    9
    10
    11
    12
    func submitTransaction(...) (common.Hash, error) {
    if err := b.SendTx(ctx, tx); err != nil {
    return common.Hash{}, err
    }
    if tx.To() == nil {
    ...
    addr := crypto.CreateAddress(from, tx.Nonce())
    log.Info(... "contract", addr.Hex())
    }
    ...
    return tx.Hash(), nil
    }

    入池操作会调用如下关键函数。交易池分为两个交易列表, pending 中存放可执行的交易, queue 中存放排队中暂不可执行的交易,他们之间可以相互转换。入池之前,pool.validateTx() 会对交易签名进行初步检查,对于一笔合法的新交易, pool.enqueueTx() 会将其先放入 queue 列表,随后 promoteExecutables() 视条件将其移入 pending 中。

    1
    2
    3
    4
    5
    6
    7
    8
    9
    10
    11
    12
    13
    14
    15
    16
    /*
    file: core\tx_pool.go
    */
    func (pool *TxPool) addTx(...) error {
    ...
    replace, err := pool.add(tx, local)
    if err != nil {
    return err
    }

    if !replace {
    from, _ := types.Sender(pool.signer, tx)
    pool.promoteExecutables([]common.Address{from})
    }
    return nil
    }

2 Worker 交易打包出块

随着交易池的增长,矿工服务根据一定的条件完成交易打包与出块操作。生成的块将在网络中通过P2P服务传播。
(细节待完成)

3 Blockchain 区块上链

3.1 概述

在收到网络上的传送来的区块后,触发 blockchain.goInsertChain() 函数,进入区块的处理过程: 区块链校验 -> 区块头验证->区块体验证->交易处理->状态验证->区块上链

1
2
3
4
5
6
7
8
9
10
11
12
13
14
15
16
17
18
19
20
21
22
23
24
25
26
27
28
29
30
31
32
33
34
35
36
37
38
39
40
41
42
43
44
45
46
47
48
49
50
/*
file: core\blockchain.go
*/
func (bc *BlockChain) insertChain(chain types.Blocks) (...) {
for i := 1; i < len(chain); i++ {
if chain[i].NumberU64() != chain[i-1].NumberU64()+1 || chain[i].ParentHash() != chain[i-1].Hash() {
...
return 0, nil, nil, ...
}
}
...
abort, results := bc.engine.VerifyHeaders(...)
...
for i, block := range chain {
...
err := <-results
if err == nil {
err = bc.Validator().ValidateBody(block)
}
...
state, err := state.New(parent.Root(), bc.stateCache)
if err != nil {
return i, events, coalescedLogs, err
}

receipts, logs, usedGas, err := bc.processor.Process(...)
if err != nil {
bc.reportBlock(block, receipts, err)
return i, events, coalescedLogs, err
}

err = bc.Validator().ValidateState(...)
if err != nil {
bc.reportBlock(block, receipts, err)
return i, events, coalescedLogs, err
}

status, err := bc.WriteBlockWithState(...)
if err != nil {
return i, events, coalescedLogs, err
}
switch status {
case CanonStatTy:
...
case SideStatTy:
...
}
...
return 0, events, coalescedLogs, nil
}

  • Message 数据结构展示
    1
    2
    3
    4
    5
    6
    7
    8
    9
    10
    type Message struct {
    to *common.Address
    from common.Address
    nonce uint64
    amount *big.Int
    gasLimit uint64
    gasPrice *big.Int
    data []byte
    checkNonce bool
    }

3.2 流程图细节

  1. 交易处理过程调用 state_processer.goProcess() 函数对区块中的所有交易进行逐一处理。
    1
    2
    3
    4
    5
    6
    7
    8
    9
    10
    11
    12
    13
    14
    15
    16
    17
    18
    19
    /*
    file: core\state_processor.go
    */
    func (p *StateProcessor) Process(...) (types.Receipts, []*types.Log, uint64, error) {
    ...
    for i, tx := range block.Transactions() {
    statedb.Prepare(tx.Hash(), block.Hash(), i)
    receipt, _, err := ApplyTransaction(...)
    if err != nil {
    return nil, nil, 0, err
    }
    receipts = append(receipts, receipt)
    allLogs = append(allLogs, receipt.Logs...)
    }

    p.engine.Finalize(...)

    return receipts, allLogs, *usedGas, nil
    }

2a. AsMessage() 函数将 Transaction 数据结构转换为 Message 数据结构

1
2
3
4
msg, err := tx.AsMessage(types.MakeSigner(config, header.Number))
if err != nil {
return nil, 0, err
}

2b. newEvm() 为合约的执行创建虚拟机环境。

1
2
context := NewEVMContext(msg, header, bc, author)
vmenv := vm.NewEVM(context, statedb, config, cfg)

2c. ApplyMessage() 创建一个新的状态变更实例,并且调用 state_transition.goTransitionDb() 函数应用合约代码到这个实例中,发生实质上的状态转移记录。 TransitionDb() 首先会进行交易执行的入口检查,确认 nonce, gas 是否合法可用;随后根据是合约创建还是合约调用,选择 Create() 或者 Call(),在合约部署中,此处会调用 Create()

1
2
3
4
5
6
7
8
9
10
11
12
13
14
15
16
17
18
19
/*
file: core\state_transition.go
*/
func (st *StateTransition) TransitionDb() () {
if err = st.preCheck(); err != nil {
return
}
...
contractCreation := msg.To() == nil
...
if contractCreation {
ret, _, st.gas, vmerr = evm.Create(...)
} else {
st.state.SetNonce(msg.From(), st.state.GetNonce(sender.Address())+1)
ret, st.gas, vmerr = evm.Call(...)
}
...
return ret, st.gasUsed(), vmerr != nil, err
}

下面进入到合约创建最核心的流程,由 core\vm\evm.goCreate() 完成。首先,为新合约创建地址;基于这个合约地址,会绑定一个账户,随后会进行一次以太币的转账操作。run() 函数将执行合约代码,第三个参数为nil,代表不调用合约中的任何函数,只是初始化。

1
2
3
4
5
6
7
8
9
10
11
12
13
14
15
16
17
18
/*
file: core\vm\evm.go
*/
func (evm *EVM) Create(...) (...) {
...
contractAddr = crypto.CreateAddress(caller.Address(), nonce)
...
evm.StateDB.CreateAccount(contractAddr)
...
evm.Transfer(evm.StateDB, caller.Address(), contractAddr, value)

contract := NewContract(caller, AccountRef(contractAddr), value, gas)
contract.SetCallCode(&contractAddr, crypto.Keccak256Hash(code), code)
...
ret, err = run(evm, contract, nil)
...
return ret, contractAddr, contract.Gas, err
}
  1. blockchain.goWriteBlockWithState() 将掉用 accessors_chain.go 的 3a. WriteBlock() 3b. WriteReceipts() 写入区块和收据。

4 API 获取收据

4.1 概述

在上面的流程中,交易执行完毕后,不会显式地向请求端回复任何交易执行的具体情况。在 Ethereum 区块链网络中,需要请求端显式地请求交易收据,以此来确认交易执行的情况。从上一节的第3步骤可知,交易执行收据已经写入了db中,请求端要做的是发生获取交易收据请求。

4.2 流程图细节

  1. ethapi/api.go 识别到这是一次交易发送请求,调用 GetTransactionReceipt() 函数,进一步向底层发送消息。如果收据中的合约地址不是全0,则认为是一次合约部署过程,填写交易中的合约地址到收据中供请求端使用。
    4a. 调用ReadTransaction() 函数,获取交易的基础信息
    4b. 调用GetReceipts() 函数,获取交易收据,其内部会调用 ReadHeadNumber()ReadReceipts() 函数辅助操作。
    1
    2
    3
    4
    5
    6
    7
    8
    9
    10
    11
    12
    13
    14
    15
    16
    /*
    file: ethapi/api.go
    */
    func (s *PublicTransactionPoolAPI) GetTransactionReceipt(...) (...) {
    tx, blockHash, blockNumber, index := rawdb.ReadTransaction(...)
    ...
    receipts, err := s.b.GetReceipts(ctx, blockHash)
    if err != nil {
    return nil, err
    }
    ...
    if receipt.ContractAddress != (common.Address{}) {
    fields["contractAddress"] = receipt.ContractAddress
    }
    return fields, nil
    }

——————————THE END——————————

本文文字和图片均属博主原创。未经授权,不得转载。